スタートページ>
Web教材目次>
選択肢試験目次
fe172 基本情報処理技術者試験 平成29年度秋期
テクノロジ系
[fe172-01][fe081-04]
数値を2進数で表すレジスタがある。このレジスタに格納されている正の整数xを10倍する操作はどれか。ここで,シフトによるけたあふれは,起こらないものとする。
ア xを2ビット左にシフトした値にxを加算し,更に1ビット左にシフトする。
イ xを2ビット左にシフトした値にxを加算し,更に2ビット左にシフトする。
ウ xを3ビット左にシフトした値と,xを2ビット左にシフトした値を加算する。
エ xを3ビット左にシフトした値にxを加算し,更に1ビット左にシフトする。
【解答】
正解:ア
「nビット左にシフト」=2n倍にすること
アは○。(4x+x)×2=10x
イは×。(4x+x)×4=20x
ウは×。8x+4x=12x
エは×。(8x+x)×2=18x
参照:「データの内部表現(数値・上級)」
[fe172-02][fe102-04]
送信側では,ビット列をある生成多項式で割った余りをそのビット列に付加して送信し,受信側では,受信したビット列が同じ生成多項式で割り切れるか否かで誤りの発生を判断する誤り検査方式はどれか。
ア CRC方式 イ 垂直パリティチェック方式
ウ 水平パリティチェック方式 エ ハミング符号方式
【解答】
正解:ア
アは〇。Cyclic Redundancy Check(巡回冗長検査およびその符号)問題文の通り。
イ・ウは×。パリティビットを付加し,オンのビット数の奇偶で検出
エは×。情報ビットに検査用のビットを付加。自動訂正機能をもつ。
参照:「誤り検出と訂正」
[fe172-03]
フィードバック制御の説明として,適切なものはどれか。
ア あらかじめ定められた順序で制御を行う。
イ 外乱の影響が出力に現れる前に制御を行う。
ウ 出力結果と目標値を比較して,一致するように制御を行う。
エ 出力結果を使用せず制御を行う。
【解答】
[fe172-04]
図のような黒色で描かれた円に沿って車が走るように,左右の後輪に独立に取り付けられたモータL及びRの回転速度を制御する。センサL及びRは反射型光センサであり,センサが黒色に掛かる比率が大きいと出力が小さくなり,黒色に掛かる比率が小さいと出力が大きくなる。この車を円に沿って走らせるためのモータ回転速度の制御方法として,適切なものはどれか。ここで,二つのセンサの出力値が一致するときは,二つのモータの回転速度を初期値に戻すものとする。
センサL出力値>センサR出力値 センサL出力値<センサR出力値
のとき のとき
モータL モータR モータL モータR
回転速度 回転速度 回転速度 回転速度
ア 上げる 下げる 上げる 下げる
イ 上げる 下げる 下げる 上げる
ウ 下げる 上げる 上げる 下げる
エ 下げる 上げる 下げる 上げる
【解答】
正解:イ
センサL出力値>センサR出力値
→センサLに黒が少なく,センサRに多い
→黒いラインから左にずれている
→右側に曲げる
→モータLの回転速度を上げ,モータRの回転速度を下げる
→ア・イは〇,ウ・エは×
センサL出力値<センサR出力値
→モータLの回転速度を下げ,モータRの回転速度を上げる
→イ・エは〇,ア・ウは×
両方で〇のものはイ →イが〇
[fe172-05][fe102-05]
A,B,C,Dの順に到着するデータに対して,一つのスタックだけを用いて出力可能なデータ列はどれか。
ア A,D,B,C
イ B,D,A,C
ウ C,B,D,A
エ D,C,A,B
【解答】
正解:ウ
次に出力するデータが,次の到着の先頭あるいはスタックの最上段にあれば取り出せる。
アの場合
出力 到着リスト スタック 処理
前 後 上 下
A ABCD - 到着リストからAを出力
D BCD - D→スタック
CD B C→スタック
D CB Dを出力
B - CB Bを取り出せない・・・×
イの場合
B ABCD - A→スタック
D BCD A B→スタック
CD BA C→スタック
D CBA 到着リストからDを出力
A - CBA Aを取り出せない・・・×
ウの場合
C ABCD - A→スタック
BCD A B→スタック
CD BA 到着リストからCを出力
B D BA スタックからBを出力
D D A 到着リストからDを出力
A A スタックからAを出力・・・○
エの場合
D ABCD - A→スタック
BCD A B→スタック
CD BA C→スタック
D CBA 到着リストからDを出力
C - CBA スタックからCを出力
A - BA Aを取り出せない・・・×
参照:「スタックと逆ポーランド記法」
[fe172-06][fe121-08]
再帰呼出しの説明はどれか。
ア あらかじめ決められた順番ではなく,起きた事象に応じた処理を行うこと
イ 関数の中で自分自身を用いた処理を行うこと
ウ 処理が終了した関数をメモリから消去せず,必要になったとき再び用いること
エ 処理に失敗したときに,その処理を呼び出す直前の状態に戻すこと
【解答】
[fe172-07]
オブジェクト指向プログラミングにおける,多相性を実現するためのオーバーライドの説明はどれか。
ア オブジェクト内の詳細な仕様や構造を外部から隠蔽すること
イ スーパークラスで定義されたメソッドをサブクラスで再定義すること
ウ 同一クラス内に,メソッド名が同一で,引数の型,個数,並び順が異なる複数のメソッドを定義すること
エ 複数のクラスの共通する性質をまとめて,抽象化したクラスを作ること
【解答】
正解:イ
アは×。カプセル化
イは〇。オーバーライド
ウは×。オーバーロード
エは×。汎化
参照:オブジェクト指向の用語
[fe172-08]
Perlの実行に関する記述のうち,適切のものはどれか。
ア UNIX用として開発されており,Windows用の言語処理系はない。
イ 実行にWebサーバを必要とする言語であり,CGIの開発に適している。
ウ 動的デバッグは,言語処理系から独立したプログラムを実行して行う。
エ プログラムをコンパイルしたファイルを事前に用意する必要はない。
【解答】
正解:エ
Perlは広く使われるようになった最初の軽量(Lightweight)言語
アは×。Windowsにも移植されている。
イは△。サーバで動作するCGI用言語としても使えるが,通常のスタンドアロン環境でも使える。
ウは×。通常はPerlに内蔵しているデバッガを用いる。
エは〇。インタプリタ言語である。
[fe172-09][fe102-09][fe091-09]
平均命令実行時間が20ナノ秒のコンピュータがある。このコンピュータの性能は何MIPSか。
ア 5 イ 10 ウ 20 エ 50
【解答】
正解:エ
ナノ秒[10-9秒]
MIPS[106命令/秒]
平均命令実行時間=20ナノ秒→20/10-9[秒/命令]
1秒間での実行命令数=(1/20)×109
=(1/20)×1000×106[命令/秒]=50[MIPS]
参照:「数値単位と物理単位」,
「コンピュータの性能評価方法」
[fe172-10][fe121-11][fe072-20]
外部割込みに分類されるものはどれか。
ア インターバルタイマによって,指定時間経過時に生じる割込み
イ 演算結果のオーバフローやゼロによる除算で生じる割込み
ウ 仮想記憶管理において,存在しないページへのアクセスによって生じる割込み
エ ソフトウェア割込み命令の実行によって生じる割込み
【解答】
正解:ア
アは○。
イは×。内部割込みのプログラム割込み
ウは×。内部割込みのプログラム割込み
エは×。内部割込みのスーパバイザ割込み
参照:「タスク管理」
[fe172-11]
USB Type-C のプラグ側コネクタの断面図はどれか。ここで,図の縮尺は同一ではない。
【解答】
正解:イ
アは×。Type-A
イは〇。Type-C
ウは×。Mini-B
エは×。Micro-B
参照:USB Type-C
[fe172-12]
RAID5の記録方式に関する記述のうち,適切なものはどれか。
- ア 複数の磁気ディスクに分散してバイト単位でデータを書き込み,さらに,1台の磁気ディスクにパリティを書き込む。
- イ 複数の磁気ディスクに分散してビット単位でデータを書き込み,さらに,複数の磁気ディスクにエラー訂正符号(ECC)を書き込む。
- ウ 複数の磁気ディスクに分散してブロック単位でデータを書き込み,さらに,複数の磁気ディスクに分散してパリティを書き込む。
- エ ミラーディスクを構成するために,磁気ディスク2台に同じ内容を書き込む。
【解答】
正解:ウ
アは×。RAID3
イは×。RAID2
ウは〇。RAID5
エは×。RAID1
参照:RAID
[fe172-13][fe122-14]
デュアルシステムの説明として,最も適切なものはどれか。
- ア 同じ処理を行うシステムを二重に用意し,処理結果を照合することで処理の正しさを確認する。どちらかのシステムに障害が発生した場合は,縮退運転によって処理を継続する。
- イ オンライン処理を行う現用系,バッチ処理などを行いながら待機させる待機系を用意し,現用系に障害が発生した場合はに切り替え,オンライン処理を続行する。
- ウ 待機系に現用系のオンライン処理プログラムをロードして待機させて置き,現用系に障害が発生した場合は,即時に待機系に切り替えて処理を続行する。
- エ プロセッサ,メモリ,チャネル,電源系などを二重に用意しておき,それぞれの装置で片方に障害が発生した場合でも,処理を継続する。
【解答】
正解:ア
アは○。
イは×。デュープレックス
ウは×。ホットスタンバイ
エは×。フォールトトレランス
参照:「システム構成」
[fe172-14]
社内業務システムをクラウドサービスへ移行することによって得られるメリットはどれか。
- ア PaaSを利用すると,プラットフォームの管理やOSのアップデートは,サービスを提供するプロバイダが行うので,導入や運用の負担を軽減することができる。
- イ オンプレミスで運用していた社内固有の機能を有する社内業務システムをSaaSで提供されるシステムへ移行する場合,社内固有の機能の移行も容易である。
- ウ 社内業務システムの開発や評価で一時的に使う場合,SaaSを利用することによって自由度の高い開発環境が整えられる。
- エ 非常に高い可用性が求められる社内業務システムをIssSに移行する場合,いずれのプロバイダも高可用性を保証しているので移行が容易である。
【解答】
正解:ア
アは〇。PaaSは,設問文のように,ユーザがのシステム開発環境に必要なツールを一式提供すること。
イは×。固有業務は,クラウドサービス移行の際に,標準的仕様を手直しする必要がある。
ウは×。開発環境を提供するのはPaaS
エは×。IaaSは,主にベンダのサーバやストレージを時間借りすること。可用性はプロバイダにより異なる。
参照:クラウドサービスの種類
[fe172-15][fe131-15]
MTBFが45時間でMTTRが5時間の装置がある。この装置を2つ直列に接続したシステムの稼働率は幾らか。
ア 0.81 イ 0.90 ウ 0.95 エ 0.99
【解答】
[fe172-16][fe132-17]
メモリリークの説明として,適切なものはどれか。
- ア OSやアプリケーションのバグなどが原因で,動作中に確保した主記憶が解放されないことであり,これが発生すると主記憶中の利用な部分が減少する。
- イ アプリケーションの同時実行数を増やした場合に,主記憶容量が不足し,処理時間のほとんどがページングに費やされ,スループットの極端な低下を招くことである。
- ウ 実行時のプログラム領域の大きさに制限があるときに,必要になったモジュールを主記憶に取り込む手法である。
- エ 主記憶で利用可能な空き領域の総量は足りているのに,主記憶中に不連続で散在しているので,大きなフログラムをロードする領域が確保できないことである。
【解答】
[fe172-17]
ソフトウェア制御における,ポーリング制御はどれか。
ア CPUが状態レジスタまたはビジー信号などを読み出して,入出力装置の状態を監視する。
イ 実行中の処理を一時的に中断して,緊急度の高い別の処理を実行する。
ウ 送信側のタスクがメモリにデータを格納し,受信側のタスクにそのアドレスを伝える。
エ 複数のタスクが利用する共有資源を,一つのタスクが占有できるようにする。
【解答】
[fe172-18][fe132-18]
優先度に基づくプリエンプティブなスケジューリングを行うリアルタイムOSで,二つのタスクA,Bをスケジューリングする。Aの方がBより優先度が高い場合にリアルタイムOSが行う動作のうち,適切なものはどれか。
ア Aの実行中にBに起動がかかると,Aを実行可能状態にしてBを実行する。
イ Aの実行中にBに起動がかかると,Aを待ち状態にしてBを実行する。
ウ Bの実行中にAに起動がかかると,Bを実行可能状態にしてAを実行する。
エ Bの実行中にAに起動がかかると,Bを待ち状態にしてAを実行する。
【解答】
正解:ウ
優先順位の高いAが割込んで実行される。Aの処理が終了すると直ちにBを実行する必要があるため,Bは実行可能状態になる。待ち状態にすると,Aの終了後,他のタスクCが起動されてBの実行が遅れるし,割込み時のBの状態が保存されないこともある。→ウが○
参照:「タスク管理」
[fe172-19][fe152-18]
図のメモリマップで,セグメント2が解放されたとき,セグメントを移動(動的再配置)し,分散する空き領域を集めて一つの連続領域にしたい。1回のメモリアクセスは4バイト単位で行い,読取り,書込みがそれぞれ30ナノ秒とすると,動的再配置をするのに必要なメモリアクセス時間は合計何ミリ秒か。ここで,1kバイトは1,000バイトとし,動的再配置に要する時間以外のオーバヘッドは考慮しないものとする。
┌────────┬────────┬────────┬────────┐
│ セグメント1 │ セグメント2 │ セグメント3 │ 空き │
└────────┴────────┴────────┴────────┘
500kバイト 100kバイト 800kバイト 800kバイト
ア 1.5 イ 6.0 ウ 7.5 エ 12.0
【解答】
正解:エ
セグメント3のデータを先頭から順に読込み,セグメント2の先頭の個所から順に書き込めばよい。
最終的にセグメント3の最後の100kバイトが残るが,ファイル管理システムがその部分を空き領域だとするので,そのまま放置しておけばよい。
必要なメモリアクセス時間=移動バイト数/一度のアクセス単位×(読み出し時間+書き出し時間)
=800×103[バイト]/4[バイト/回]×(2×30×10-9[秒/回])
=12000×10-6=12.0×10-3[秒]
=12.0[ミリ秒] →エが○
k(キロ)=103, n(ナノ)=10-9, m(ミリ)=10-3
参照:通信速度の計算
[fe172-20]
ページング方式の仮想記憶において,ページフォールトの発生回数を増加させる要因はどれか。
ア 主記憶に存在しないページへのアクセスが増加すること
イ 主記憶に存在するページへのアクセスが増加すること。
ウ 主記憶のページのうち,更新されたページの比率が高くなること
エ 長時間アクセスしなかった主記憶のページをアクセスすること
【解答】
正解:ア
ページフォルトとは,実行に必要なページが主記憶に存在しないこと。→アが〇。イは×
更新の有無やアクセス履歴には無関係→ウ・エは×
[fe172-21]
コンデンサに蓄えた電荷の有無で情報を記憶するメモリはどれか。
ア EEPROM イ SDRAM ウ SRAM エ フラッシュメモリ
【解答】
正解:イ
アは×。EEPROM:非揮発性
イは〇。SDRAM:高速DRAM
ウは×。SRAM:フリップフロップ
エは×。フラッシュメモリ:非揮発性
参照:半導体素子
[fe172-22]
アクチュエータの機能として,適切なものはどれか。
ア アナログ電気信号を,コンピュータが処理可能なディジタル信号に変える。
イ キーボード,タッチパネルなどに使用され,コンピュータに情報を入力する。
ウ コンピュータが出力した電気信号を力学的な運動に変える。
エ 物理量を検出して,電気信号に変える。
【解答】
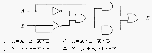
[fe172-23][fe151-23][fe102-24]
図に示すディジタル回路と等価な論理式はどれか。ここで,論理式中の・は論理積,+は論理和,XはXの否定を表す。

【解答】
[fe172-24]
次の方式によって求められるチェックディジットを付加した結果はどれか。ここで,データを 7394,重み付け定数を 1234,基数を 11 とする。
[方式]
(1)データと重み付け定数の,対応する桁ごとの積を求め,それらの和を求める。
(2)和を基数で割って,余りを求める。
(3)基数から余りを減じ,その結果の1の位をチェックデジットとしてデータの末尾に付加する。
ア 73940 イ 73941 ウ 73944 エ 73947
【解答】
正解:ア
方式(1):(7×1)+(3×2)+(9×3)+(4×4)=56
方式(2):56 mod 11=1
方式(3):11-1=0,データの末尾に0を付加=73940 →アが〇
参照:チェックデジット
[fe172-25]
3次元CGのレンダリングにおける,隠線消去及び隠面消去の説明はどれか。
- ア 光源の位置と対象物体への光の当たり具合とを解析し,どのような色・明るさで見えるのかを決定する。
- イ 指定された視点から見える部分だけを描くようにする。
- ウ 生成された画像について,表示する画面に収まる部分だけを表示する。
- エ 物体の表面だけでなく物体の内部や背後に隠れた部分の形状も,半透明表示などによって画像として生成する。
【解答】
正解:イ
アは×。シェーディング
イは〇。サーフェイスモデル
ウは×。クリッピング
エは×。半透明表示に関する用語を私は知らない。ワイヤフレームモデルやレイトレーシングの組合せ?
参照:コンピュータグラフィックス
[fe172-26][fe132-28][fe081-61][ad031-12]
クライアントサーバシステムにおいて,利用頻度の高い命令群をあらかじめサーバ上のDBMSに用意しておくことによって,データベースアクセスのネットワーク負荷を軽減する仕組みはどれか。
ア 2相コミットメント
イ グループコミットメント
ウ サーバプロセスのマルチスレッド化
エ ストアドプロシージャ
【解答】
正解:エ
アは×。2相コミットメント:分散データベースシステムで,すべてのデータベースが更新可能を確認後,更新処理を行う方式
イは×。グループコミットメント:分散データベースシステムで,処理要求が同時発生したとき,複数の処理をまとめてネットワークの負荷を軽減する機能
利用頻度の高い命令群をあらかじめサーバ上のDBMSに用意しておくこととは無関係
ウは×。サーバプロセスのマルチスレッド化:同一プログラムを独立した複数の処理に分割し,並行処理により,処理を向上させる機能。処理速度の提言には役立つがネットワークには無関係。
エは○。ストアドプロシージャ:利用者はDBMSに登録してある手続きを呼び出して実行する。利用にとって便利なだけでなく,1回の要求で,複数のクエリを実行するので,クライアント-サーバ間の通信回数が削減できる。
[fe172-27]
SQL文において FOREIGN KEY と REFERENCES を用いて指定する制約はどれか。
ア キー制約 イ 検査制約 ウ 参照制約 エ 表明
【解答】
正解:ウ
アは×。キー制約:PRIMARY KEYとFOREIGN KEYの総称
イは×。検査制約はCHECK
ウは〇。参照制約はFOREIGN KEY と REFERENCESで定義
エは×。表明はASSERTION
参照:データ定義言語(DDL)での「制約」
[fe172-28]
UMLを用いて表した図のデータモデルの解釈のうち,適切なものはどれか。

ア 事業部以外の部門が,部門を管理できる。
イ 社員は事業部に所属できる。
ウ 所属する社員がいない部門が存在する。
エ 部門は,いずれかの事業部が管理している。
【解答】
正解:イ
アは×。事業部だけが部門を管理する
イは〇。社員は唯一の部門に属する。部門は事業部を汎化したもので,部門の中には事業部もある。
ウは×。部門:社員は,1:1以上の任意数→1名以上がいる。
エは×。事業部の多重度は0または1.0とは事業部が管理していないこと。管理されない部門がある。
参照:クラス図
[fe172-29]
RDBMSの機能によって実現されるトランザクションの性質はどれか。
ア ACID特性 イ 関数従属性 ウ 候補キーの一意性 エ データ独立性
【解答】
正解:ア
アは〇。ACID特性:信頼性のあるトランザクションシステムが持つべき要件。RDBMSだけでの完全実現は限定的だが,他よりも〇に近い
イは×。関数従属性:正規化での概念。管理システムとしてのRDBMSの機能とはいえない。
ウは×。候補キーの一意性:SQLでのPRIMARY KEYで保証できるが,他のDBMSでも同様な機能をもつ。
エは×。データ独立性:RDBMSだけでなくデータベース全体の利点
[fe172-30]
トランザクション処理プログラムが,データベース更新の途中で異常終了した場合,ロールバック処理によってデータベースを復元する。このとき使用する情報はどれか。
ア 最新のスナップショット情報
イ 最新のバックアップファイル情報
ウ ログファイルの更新後情報
エ ログファイルの更新前情報
【解答】
正解:エ
スナップショットとは,その時点での変数などの値をリストしたもの。異常終了の原因調査には役立つであろうが,復元には直接の効果はない。→アは×。
以前にバックアップをした時点では正常だったのだから,バックアップファイルをリストアする必要はない。→イは×
ログファイルを調べて,異常終了を起こしたトランザクションデータ(入力されたデータ=更新前)を知れば復元できる。→ウは×。エが〇
参照:ロールバック
[fe172-31][fe142-31]
符号化速度が192kビット/秒の音声データ2.4Mバイトを,通信速度が128kビット/秒のネットワークを用いてダウンロードしながら途切れることなく再生するためには,再生開始前のデータのバッファリング時間として最低何秒間が必要か。
ア 50 イ 100 ウ 150 エ 250
【解答】
正解:ア
音声データ量=2.4[Mバイト]×8[ビット/バイト]×1000[k/M]
=19200[kビット]
音声データ生成時間(演奏時間=再生時間)
=音声データ量/符号化速度
=19200[kビット]/192[kビット/秒]=100[秒]
ダウンロード時間=音声データ量/通信速度
=19200[kビット]/128[kビット/秒]=150[秒]
バッファリング時間(元の演奏時間で再生する必要がある)
=ダウンロード時間-音声データ生成時間
=150[秒]-100[秒]=50[秒] ・・・アが○
ダウンロードが始まってから50秒後に再生を開始する
参照:通信速度の計算
[fe172-32][fe122-35][fe072-58][ad032-05]
ネットワーク機器の一つであるスイッチングハブ(レイヤ2スイッチ)の機能として,適切なものはどれか。
ア LANポートに接続された端末に対して,IPアドレスの動的な割当てを行う。
イ 受信したパケットを,宛先MACアドレスが存在するLANポートだけに転送する
ウ 受信したパケットを,全てのLANポートに転送(ブロードキャスト)する。
エ 受信したパケットを,ネットワーク層で分割(フラグメンテーション)する。
【解答】
[fe172-33][fe101-36][fe082-53]
インターネット接続用ルータのNAT機能の説明として,適切なものはどれか。
- ア インターネットヘのアクセスをキャッシュしておくことによって,その後に同じIPアドレスのサイトヘアクセスする場合,表示を高速化できる機能である。
- イ 通信中のIPパケットから特定のビットパターンを検出する機能である。
- ウ 特定の端末あてのIPパケットだけを通過させる機能である。
- エ プライベートIPアドレスとグローバルIPアドレスを相互に変換する機能である。
【解答】
[fe172-34]
トランスポート層のプロトコルであり,信頼性よりもリアルタイム性が重視される場合に用いられるものはどれか。
ア HTTP イ IP ウ TCP エ UDP
【解答】
正解:エ
アは×。HTTP(HyperText Transfer Protocol):アプリケーション層
イは×。IP(Inernet Protocol):ネットワーク層
ウは×。TCP(Trasmission Control Protocol):トランスポート層。信頼性を重視
エは〇。UDP(User Datagram Protocol):問題文の通り
[fe172-35]
次のIPアドレスとサブネットマスクをもつPCがある。このPCのネットワークアドレスとして,適切なものはどれか。
IPアドレス: 10.170.70.19
サブネットマスク: 255.225.255.240
ア 10.170.70.0 イ 10.170.70.16 ウ 10.170.70.31 エ 10.170.70.255
【解答】
正解:イ
IPアドレスの下位8ビット 00010011
サブネットマスクの下位8ビット 11110000
AND(論理積)演算 00010000→16
ネットワークアドレスは,10.170.70.16 →イ
参照:ネットワーク部とホスト部
[fe172-36]
ボットネットにおいてC&Cサーバが果たす役割はどれか。
ア 遠隔操作が可能なマルウェアに,情報収集及び攻撃活動を指示する。
イ 電子取引事業者などに,偽のディジタル証明書の発行を命令する。
ウ 不正なWebコンテンツのテキスト,画像およびレイアウト情報を一元的に管理する。
エ 踏み台となる複数のサーバからの通信を制御し遮断する。
【解答】
正解:ア
- アは○。設問文の通り。C&Cサーバとは,遠隔操作が可能な状態にしたパソコン(踏み台)に潜ませたマルウェアに指示するサーバのこと。参照:ボット
- イは×。認証局システムの弱いハッシュ関数を狙った攻撃であり,ボットネットとは直接な関係はない。
- ウは×。コンテンツの不正利用の発見をするには電子透かしなどの技術があるし,不正利用の発見から停止までのプロセスを一貫してサポートするアウトソーシングサービスがある。これらはボットネットとは直接な関係はない。
- エは×。DoS攻撃などC&Cサーバからのボットネットを介した攻撃への対策であり,「C&Cサーバが果たす役割」への対策である。
[fe172-37][fe122-37]
DNSキャッシュポイズニングに分類される攻撃内容はどれか。
- ア DNSサーバのソフトウェアのバージョン情報を入手して,DNSサーバのセキュリティホールを特定する。
- イ PCが参照するDNSサーバに誤ったドメイン情報を注入して,偽装されたWebサーバにPCの利用者を誘導する。
- ウ 攻撃対象のサービスを妨害するために,攻撃者がDNSサーバを踏み台に利用して再帰的な問合せを大量に行う。
- エ 内部情報を入手するために,DNSサーバが保存するゾーン情報をまとめて転送させる。
【解答】
[fe172-38]
非常に大きな数の素因数分解が困難なことを利用した公開鍵暗号方式はどれか。
ア AES イ DH ウ DSA エ RSA
【解答】
正解:エ
AES(Advanced Encryption Standard)代表的な共通鍵暗号方式
DH(Diffie-Hellman)共通鍵暗号方式における暗号化した鍵交換方式
DSA(Digital Signature Algorithm)電子署名の標準方式
RSA(Rivest Shamir Adleman)公開鍵暗号方式の代表的方式 →エが○
[fe172-39][fe151-42][fe122-40][ki101-15]/p>
SQLインジェクションの説明はどれか。
- ア Webアプリケーションに問題があるとき,データベースに悪意のある問合せや操作を行う命令文を入力して,データベースのデータを改ざんしたり不正に取得したりする攻撃
- イ 悪意のあるスクリプトを埋め込んだWebページを訪問者に閲覧させて,別のWebサイトで,その訪問者が意図しない操作を行わせる攻撃
- ウ 市販されているDBMSの脆弱性を利用することによって,宿主となるデータベースサーバを探して自己伝染を繰り返し,インターネットのトラフィックを急増させる攻撃
- エ 訪問者の入力データをそのまま画面に表示するWebサイトに対して,悪意のあるスクリプトを埋め込んだ入力データを送ることによって,訪問者のブラウザで実行させる攻撃
【解答】
[fe172-40][fe151-38]
ディジタル署名における署名鍵の用い方と,ディジタル署名を行う目的のうち,適切なものはどれか。
- ア 受信者が署名鍵を使って,暗号文を元のメッセージに戻すことができるようにする。
- イ 送信者が固定文字列を付加したメッセージを,署名鍵を使って暗号化することによって,受信者がメッセージの改ざん部位を特定できるようにする。
- ウ 送信者が署名鍵を使って署名を作成し,それをメッセージに付加することによって,受信者が送信者を確認できるようにする。
- エ 送信者が署名鍵を使ってメッセージを暗号化することによって,メッセージの内容を関係者以外に分からないようにする。
【解答】
正解:ウ
署名鍵→ディジタル署名で送信者が自分であることを示す鍵→送信者の公開鍵
アは×。受信者は,受信者の秘密鍵で復号
イは×。固定文字列ではなくハッシュ値。暗号化に使うのは共通鍵。改ざんの有無はわかるが部位特定はできない
ウは○。
エは×。アと同じ理由。選択肢文は共通鍵暗号方式の仕組み
参照:「ハイブリッド暗号方式」
[fe172-41]
マルウェアについて,トロイの木馬とワームを比較したとき,ワームの特徴はどれか。
ア 勝手にファイルを暗号化して正常に読めなくする。
イ 単独のプログラムとして不正な動作を行う。
ウ 特定の条件になるまで活動せずに待機する。
エ ネットワークやリムーバブルメディアを媒介として自ら感染を広げる。
【解答】
正解:エ
トロイの木馬も広義のワームであるが,題意からワームを狭義に「待機型ではない」ものとする。
アは×。ランサムウェア
イは×。トロイの木馬,ワーム両方の特徴
ウは×。トロイの木馬の特徴
エは〇。ワーム特徴(トロイの木馬も感染を広げるが,攻撃者の指示で行うので「自ら」とはいえない)
参照:ワーム
[fe172-42]
CSIRTの説明として,適切なものはどれか。
- ア IPアドレスの割り当て方針の決定,DNSルートサーバの運用監視,DNS管理に関する調整などを世界規模で行う組織である。
- イ インターネットに関する技術文書を作成し,標準化のための検討を行う組織である。
- ウ 企業内・組織内や政府機関に設置され,情報セキュリティインシデントに関する報告を受け取り,調査し,対応活動を行う組織の総称である。
- エ 情報技術を利用し,宗教的または政治的な目標を達成するという目的をもつ者や組織の総称である。
【解答】
正解:ウ
アは×。ICANN(Internet Corporation for Assigned Names and Numbers):
イは×。W3C(World Wide Web Consortium):
ウは〇。CSIRT(Computer Security Incident Response Team)
エは×。Hacktivist
[fe172-43]
リスクアセスメントを構成するプロセスの組合せはどれか。
ア リスク特定,リスク評価,リスク受容
イ リスク特定,リスク分析,リスク評価
ウ リスク分析,リスク対応,リスク受容
エ リスク分析,リスク評価,リスク対応
【解答】
正解:イ
リスクアセスメントのプロセス:リスク特定(何を何から守るのか)→リスク分析(被害の把握)→リスク評価(優先順位の決定)・・・イが〇
リスク対応は,アセスメントの結果を受けて実施すること
リスク受容(保有)は,リスク評価での対処法の一つ
[fe172-44]≒[fe081-65][ad081-50]
図のように,クライアント上のアプリケーションがデータベース接続プログラム経由でサーバ上のデータベースのデータにアクセスする。アプリケーションとデータベースとの間で送受信されるコマンドや実行結果の漏えいを防止する対策はどれか。
- ア サーバ側のデータベース接続プログラムにアクセスできるクライアントのIPアドレスを必要なものだけに制限する。
- イ サーバ側のデータベース接続プログラムを起動・停止するときに必要なパスワードを設定する。
- ウ データベース接続プログラムが通信に使用するポート番号をデータベース管理システムでの初期値から変更する。
- エ データベース接続プログラム間の通信を暗号化する。
【解答】
正解:エ
ア~ウは×。サーバからの漏えいは防げるが,通信途中では無防御
エは○。暗号化しても盗聴そのものは防げないが解読できない。その意味で○
[fe172-45][fe151-46][fe122-44]
コンピュータやネットワークのセキュリティ上の脆弱性を発見するために,システムを実際に攻撃して侵入を試みる手法はどれか
ア ウォークスルー イ ソフトウェアインスペクション
ウ ペネトレーションテスト エ リグレッションテスト
【解答】
[fe172-46]
UML2.0において,オブジェクト間の相互作用を時系列に表す図はどれか。
ア アクティビティ図 イ コンポーネント図
ウ シーケンス図 エ 状態遷移図
【解答】
正解:ウ
アは×。アクティビティ図:業務フローを示す図≒DFD
イは×。コンポーネント図:プログラムやリソースファイルの構成を図示
ウは〇。シーケンス図:問題文の通り
エは×。状態遷移図:入力による状態遷移を示す図
参照:UMLの図法
[fe172-47]
オブジェクト指向分析を用いてモデリングしたとき,クラスとオブジェクトの関係になる組みはどれか。
ア 公園,ぶらんこ イ 公園,代々木公園
ウ 鉄棒,ぶらんこ エ 中之島公園,代々木公園
【解答】
正解:イ
アは×。ぶらんこは,公園(クラス)を構成する部分(part-of)
イは〇。代々木公園は,公園(クラス)のインスタンスである実体(オブジェクト)の一つ
ウ・エは×。独立したオブジェクト
参照:「オブジェクト指向」
[fe172-48]
モジュール結合度が最も弱くなるものはどれか。
ア 一つのモジュールで,できるだけ多くの機能を実現する。
イ 二つのモジュール間で必要なデータ項目だけを引数として渡す。
ウ 他のモジュールとデータ項目を共有するためにグローバルな領域を使用する。
エ 他のモジュールを呼び出すときに,呼び出したモジュールの論理を制御するための引数を渡す。
【解答】
正解:イ
アは×。モジュール強度
モジュールの結合度が強い
内容結合
共通結合
外部結合(ウ)
制御結合(エ)
スタンプ結合
データ結合(イ) →イが〇
モジュールの結合度が弱い
参照:モジュールの結合度
[fe172-49][fe142-48][fe122-48]
ブラックボックステストに関する記述として,適切なものはどれか。
ア テストデータの作成基準として,命令や分岐の網羅率を使用する。
イ 被テストプログラムに冗長なコードがあっても検出できない。
ウ プログラムの内部構造に着目し,必要な部分が実行されたかどうかを検証する。
エ 分岐命令やモジュールの数が増えると,テストデータが急増する。
【解答】
正解:イ
ア・エは×。「命令や分岐」→プログラム内部→ホワイトボックステスト
イは○。ブラックボックステスト→プログラム内部を見ない
ウは×。「プログラムの内部構造」→ホワイトボックステスト
参照:「テストの種類・方法」
[fe172-50]
ソフトウェアのリバースエンジニアリングの説明はどれか。
ア 開発支援ツールなどを用いて,設計情報からソースコードを自動生成する。
イ 外部から見たときの振る舞いを変えずに,ソフトウェアの内部構造を変える。
ウ 既存のソフトウェアを解析し,その仕様や構造を明らかにする。
エ 既存のソフトウェアを分析し理解した上で,ソフトウェア全体を新しく構築する。
【解答】
正解:ウ
アは×。下流CASE,フォワードエンジニアリング
イは×。リファクタリング,XP(エクストリーム・プログラミング)で重視
ウは〇。保守CASE,リバースエンジニアリング
エは×。通常の再構築手順。特定の用語を私は知らない。
参照:CASE
マネジメント系
[fe172-51][fe132-55][fe111-52][ad051-36]
ファンクションポイント法の説明はどれか。
- ア 開発するプログラムごとのステップ数を積算し,開発規模を見積もる。
- イ 開発プロジェクトで必要な作業のWBSを作成し,各作業の工数を見積もる。
- ウ 外部入出力や内部論理ファイル,照会,インタフェースなどの個数や特性などから開発規模を見積もる。
- エ 過去の類似例を探し,その実績と差異などを分析評価して開発規模を見積もる。
【解答】
[fe172-52]
全部で100画面から構成されるシステムの画面を作成する。100画面を規模と複雑さで分類したときの内訳は次のとおりである。
規模が"小"で,複雑度が"単純"である画面:30
規模が"中"で,複雑度が"普通"である画面:40
規模が"大"で,複雑度が"普通"である画面:20
規模が"大"で,複雑度が"複雑"である画面:10
すべての画面を作成する総工数を,表の作成工数を用いて見積もると何人日になるか。ここで,全部の画面のレビューに5人日を要し,作業の管理にはレビューと修正の工数を含めた作業工数の20%を要するものとする。
画面当たりの作成工数(単位:人日)
複雑度→
↓規模 | 単純 | 普通 | 複雑 |
| 小 | 0.4 | 0.6 | 0.8 |
| 中 | 0.6 | 0.9 | 1.0 |
| 大 | 0.8 | 1.0 | 1.2 |
ア 80 イ 85 ウ 101 エ 102
【解答】
正解:エ
複雑度 × 画面数 = 人日
小規模・単純 0.4 30 12
中規模・普通 0.9 40 36
大規模・普通 1.0 20 20
大規模・複雑 1.2 10 12
---- ---
小計 100 80
画面レビュー 5
作業管理(80+5)×0.2 17
---
総計 102 →エが○
[fe172-53][fe141-53][ad032-40]
図に示す作業工程のクリティカルパスはどれか。
ア A→B→E→I→L イ A→C→D→E→H→K
ウ A→C→F→I→L エ A→C→G→J→L
【解答】
[fe172-54]
プロジェクトで発生した課題の傾向を分析するために,ステークホルダ,コスト,スケジュール,品質などの管理項目別の課題件数を棒グラフとして件数が多い順に並べ,この順で累積した課題件数を折れ線グラフとして重ね合わせた図を作成した。
ア 管理図 イ 散布図 ウ 特性要因図 エ パレート図
【解答】
正解:エ
アは×。管理図:特性の時系列的変化
イは×。散布図:2つの特性軸にプロット
ウは×。特性要因図:原因と結果の関係。魚の骨図
エは〇。パレート図:問題文の通り。「大きい順」「棒グラフと折線グラフ」がキーワード
参照:グラフ
[fe172-55]
サービスマネジメントにおいて,サービスレベル管理の要求事項はどれか。
- ア サービス継続及び可用性に対するリスクを評価し,文書化する。
- イ 提供するサービスのサービスカタログとSLAを作成し,顧客と合意する。
- ウ 人,技術,情報及び財務に関する資源を考慮して,容量・能力の計画を作成,実施及び維持する。
- エ 予算に照らして費用を監視及び報告し,財務予測をレビューし,費用を管理する。
【解答】
[fe172-56]≒[fe132-57]
新規システムにおけるデータのバックアップ方法に関する記述のうち,最も適切なものはどれか。
- ア 業務処理がバックアップ処理と重なると応答時間が長くなる可能性がある場合には,両方の処理が重ならないようにスケジュールを立てる。
- イ バックアップ作業時間を短くするためには,バックアップデータをバックアップ元データと同一の記憶媒体内に置く。
- ウ バックアップデータからの復旧時間を短くするためには,差分バックアップを採用する。
- エ バックアップデータを長期保存するためには,ランダムアクセスが可能な媒体を使用する。
【解答】
正解:ア
アは○。リアルタイム性が重要でない場合は,業務時間外に実施するのが一般的
イは×。同じ媒体に記録すると,その媒体が故障したとき,バックアップデータもなくなってしまう。
ウは×。復旧時間短縮の観点では,フルバックアップが適している。差分バックアップはバックアップ時間の短縮,保存ファイル容量を減らすため
エは×。一般に保管容量は大容量になる。節減するためにシーケンシャルファイルにするのが一般的。圧縮したアーカイブファイルにすることもある。
参照:「バックアップとリカバリ」
[fe172-57][fe161-58][fe131-56][fe092-57]
落雷によって発生する過電圧の被害から情報システムを守る手段として,有効なものはどれか。
ア サージ保護デバイス(SPD)を介して通信ケーブルとコンピュータを接続する。
イ 自家発電装置を設置する。
ウ 通信線を経路の異なる2系統とする。
エ 電源設備の制御回路をディジタル化する。
【解答】
正解:ア
アは○。SPD(surge protective device)直撃雷から機器を保護する機器
イは×。停電対策であり,過電圧対策ではない。
ウは×。過電圧は回線切断にはならない
エは×。無関係。むしろ弱くなる。
[fe172-58]
システム運用業務のオペレーション管理に関する監査で判明した状況のうち,指摘事項として監査報告書に記載すべきものはどれか。
ア システム運用責任者が,オペレータの作成したオペレーション記録を確認している。
イ 運用責任者が,期間を定めてオペレーション記録を保管している。
ウ オペレータが,オペレーション中に起きた例外処理を記録している。
エ オペレータが,日次の運用計画を決定し,自ら承認している。
【解答】
正解:エ
指摘事項とは改善を要する事項
エは,運用計画は運用責任者が作成するか承認をするべきであり,指摘事項になる。エが〇
エ以外は適切であり,指摘事項にはならない。
[fe172-59]≒[fe132-60][fe111-60]
システム監査で実施するヒアリングに関する記述のうち,適切なものはどれか。
[fe172-60]≒[fe131-57]
監査調書はどれか。
- ア 監査人が行った監査手続きの実施記録であり,監査意見の根拠となる。
- イ 監査人が監査実施に当たり被監査部門などへ提出する,監査人自身のセキュリティ誓約書をまとめたものである。
- ウ 監査人が検討に利用した基準書,ガイドラインをまとめたものである。
- エ 監査人が正当な注意義務を払ったことを証明するために,監査報告書とともに公表するよう義務付けられたものである。
【解答】
正解:ア
アは○。監査調書は,監査のプロセスで監査人が調べた記録
イは×。契約書,監査計画書の一部であり,特別な名称はない。
ウは×。一般に準拠法令等というが正式名称ではない。
エは×。監査調書は法的な公表義務はない。
ストラテジ系
[fe172-61][fe151-64][sd04-35][sd02-34][su04-35][sd06-46]
ある営業部員の1日の業務活動を分析した結果は,表のとおりである。営業支援システムの導入によって訪問準備時間が1件あたり0.1時間短縮できる。総業務時間と1件当たりの顧客訪問時間を変えずに,1日の顧客訪問件数を6件にするには,「その他業務時間」を何時間削減する必要があるか。
1日の業務活動の時間分析表
┌───────────────┐┌───┐
│ 総業務時間 ││ │
│ ┌──┬─────────┤│ │
│ │ │ 社内業務時間 ││ │
│ │ │ ┌──┬───┤│1日の│
│ │顧客│ │訪問│その他││顧客 │
│ │訪問│ │準備│業務 ││訪問 │
│ │時間│ │時間│時間 ││件数 │
├──┼──┼──┼──┼───┤├───┤
│ 8.0│ 5.0│ 3.0│ 1.5│ 1.5 ││5件 │
└──┴──┴──┴──┴───┘└───┘
ア 0.3 イ 0.5 ウ 0.7 エ 1.0
【解答】
正解:ウ
1件当たりの顧客訪問時間=5.0/5=1.0[時間/件]
1件当たりの訪問準備時間=1.5/5=0.3[時間/件]
営業支援システム導入後の1件当たりの訪問準備時間=0.3-0.1=0.2[時間/件]
これが6件/日になるのだから,(1.0+0.2)×6=7.2[時間/日]
その他業務時間に残された時間=8-7.2=0.8[時間/日]
必要な削減時間=1.5-0.8=0.7[時間/日] →ウが○
[fe172-62][ki161-24][ki142-24][ki102-24]
SOAを説明したものはどれか。
- ア 企業改革において既存の組織やビジネスルールを抜本的に見直し,業務フロー,管理機構,情報システムを再構築する手法のこと
- イ 企業の経営資源を有効に活用して経営の効率を向上させるために,基幹業務を部門ごとではなく統合的に管理するための業務システムのこと
- ウ 発注者とITアウトソーシングサービス提供者との間で,サービスの品質について合意した文書のこと
- エ ビジネスプロセスの構成要素とそれを支援するIT基盤を,ソフトウェア部品であるサービスとして提供するアーキテクチャのこと
【解答】
正解:エ
アは×。BPR(Business Process Reengineering):業務改革
イは×。ERP(Enterprise Resource Planning):経営資源最適化
ウは×。SLA(Service Level Agreement)
エは〇。SOA(Service Oriented Architecture):
[fe172-63]
ビッグデータを企業が活用している事例はどれか。
ア カスタマセンタへの問合せに対し,登録済の顧客情報から連絡先を抽出する。
イ 最重要な取引先が公表している財務諸表から,売上利益率を計算する。
ウ 社内研修の対象者リスト作成で,人事情報から入社10年目の社員を抽出する。
エ 多種多様なソーシャルメディアの大量な書込みを分析し,商品の改善を行う。
【解答】
正解:エ
ビッグデータとは,大量のデータ,数値,文章,音声,画像など多様な形式,非構造的なデータを,組み合わせて新しい知見を発見すること。→エが〇
ア・イ・ウは×。大量データとはいえないし,処理手順が決まっている。
[fe172-64][fe161-66][fe131-66]
グリーン調達の説明はどれか。
- ア 環境保全活動を実施している企業がその活動内容を広くアピールし,投資家から環境保全のための資金を募ることである。
- イ 第三者が一定の基準に基づいて環境保全に資する製品を認定する。エコマークなどの環境表示に関する国際規格のことである。
- ウ 太陽光,バイオマス,風力,地熱などの自然エネルギーによって発電されたグリーン電力を,市場で取引可能にする証書のことである。
- エ 品質や価格の要件を満たすだけでなく,環境負荷の小さな製品やサービスを,環境負荷の低減に努める事業者から優先して購入することである。
【解答】
正解:エ
アは×。環境活動資金調達。助成金制度もある
イは×。ISO14020,エコマーク制度
ウは×。グリーン電力証書。TGC(Tradable Green Certificates)ともいう
エは○。国等による環境物品等の調達の推進等に関する法律(グリーン購入法)が制定されている。
[fe172-65]
BI(Business Intelligence)を説明したものはどれか。
- ア 企業内外のデータを蓄積し,分類・加工・分析して活用することによって,企業の意思決定の迅速化を支援する手法
- イ 企業内の慣行などにとらわれず,業務プロセスを抜本的に再構築することによって,コスト・品質・サービスなどを改善する手法
- ウ 企業内の業務の流れを可視化し,業務改善サイクルを適用することによって,継続的な業務改善を図る手法
- エ 企業内の異なるシステムを互いに連結し,データやプロセスの統合を図ることによって,システムを全体として効率よく活用する手法
【解答】
正解:ア
アは〇。BI(Business Intelligence)
イは×。BPR(Business Process Reengineering)
ウは×。BPM(Business Process Management)
エは×。EAI(Enterprise Application Integration):
[fe172-66]
電化製品に搭載する部品を試作するとき,全体のコストが最も安くなる開発方法はどれか。ここで,各工程の工期は,作成工程が6か月,改造工程が3か月,評価工程が2か月とする。また,1人月当たりのコストは,作成工程が60万円,改造工程及び評価工程が100万円とする。ただし,人月コスト,購買費及び委託費の三つ以外のコストは考慮しない。
【解答】
正解:ア
購入費 作成工程 改造工程 評価工程 総コスト[万円]
購入費[万円] 2000
工期[月] 6 3 2
人件費[万円/月] 60 100 100
改訂費用[万円] 360 300 200
ア: 2000 4×300 1×200 3400 最小→アが〇
イ: 3500
ウ: 10×300 3×200 3600
エ: 10×360 2×200 4000
[fe172-67]
SWOT分析において,一般に脅威として位置づけられるものはどれか。
ア 競争他社に比べて高い生産効率
イ 事業ドメインの高い成長率
ウ 市場への強力な企業の参入
エ 低いマーケットシェア
【解答】
正解:ウ
アは×。社内・順風→強み
イは×。社外・順風→機会
ウは〇。社外・逆風→脅威
エは×。社内・逆風→弱み
参照:SWOT分析
[fe172-68]
企業の競争戦略におけるリーダ戦略はどれか。
- ア 市場シェアを奪うことを目標に,製品,サービス,販売促進,流通チャネルなどのあらゆる面での差別化を図る。
- イ 潜在的な需要がありながら,他の企業が参入してこないような専門特化した市場に,限られた経営資源を集中する。
- ウ 目標とする企業の戦略を観察し,迅速に模倣することによって,開発や広告のコストを抑制し,市場での存続を図る。
- エ 利潤,高評判の維持・向上と最適市場シェアの確保を目標として,市場内のすべての顧客をターゲットにした全方位戦略を取る。
【解答】
正解:エ
アは×。チャレンジャ戦略
イは×。ニッチャ戦略
ウは×。フォロア戦略
エは〇。リーダ戦略
参照:ポジショニング分析
[fe172-69][fe131-70][fe102-70]
サプライチェーンマネジメントを説明したものはどれか。
- ア 購買,生産,販売および物流を結ぶ一連の業務を,企業間で全体最適の視点から見直し,納期短縮や在庫削減を図る。
- イ 個人がもっているノウハウや経験などの知的資源を共有して,創造的な仕事につなげていく。
- ウ 社員のスキルや行動特性を管理し,人事戦略の視点から適切な人員配置・評価などを行う。
- エ 多様なチャネルを通して集められた顧客情報を一元化し,活用することによって,顧客との関係を密接にしていく。
【解答】
[fe172-70][ki142-27]
コア技術の事例として,適切なものはどれか。
ア アライアンスを組んでインターフェースなどを策定し,共通で使うことを目的とした技術
イ 競合他社がまねできないような,自動車エンジンのアイドリングストップ技術
ウ 競合他社と同じCPUコアを採用し,ソフトウェアの移植性を生かす技術
エ 製品の早期開発,早期市場投入を目的として,汎用部品を組み合わせて開発する技術
【解答】
正解:イ
アは×。この仕様がデファクトスタンダード(業界標準)になれば競争優位になる。
イは〇。他社の追従を許さない優れた能力がコアコンピタンス,その技術がコア技術
ウ・エは×。どちらもコモディティ化による競争戦略。それにはモジュール化技術が必要
[fe172-71]
工場の機器メンテナンス業務においてIoTを活用した場合の基本要素とデバイス・サービスの例を整理した。ア~エがa~dのいずれかに該当するとき,aに該当するものはどれか。
基本要素 デバイス・サービスの例
データの収集 a
データの伝送 b
データの解析 c
データの活用 d
ア 異常値判定ツール イ 機器の温度センサ
ウ 工場内無線通信 エ 作業用ディスプレイ
【解答】
正解:イ
a:収集→センサ→機器の温度センサ(イ)→イが〇
b:伝送→通信→工場内無線通信(ウ)
c:解析→情報処理→異常値判定ツール(ア)
d:活用→モノ(IoTのT)→作業用ディスプレイ(エ)
参照:IoT(Internet of Things),
組込みシステム関連機器
[fe172-72][ki131-27]
MRPの特徴はどれか。
ア 顧客の注文を受けてから製品の生産を行う。
イ 作業指示票を利用して作業指示,運搬指示をする。
ウ 製品の開発,設計,生産準備を同時並行で行う。
エ 製品の基準生産計画を基に,部品の手配数量を算出する
【解答】
[fe172-73]
HEMSの説明として,適切なものはどれか。
- ア 太陽光発電システム及び家庭用燃料電池が発電した電気を,家庭などで利用できるように変換するシステム
- イ 廃棄物の減量及び資源の有効利用のために,一般家庭及び事務所から排出された電気製品の有用な部分をリサイクルするシステム
- ウ ヒートポンプを利用して,より少ないエネルギーで大きな熱量を発生させる電気給湯システム
- エ 複数の家電製品をネットワークでつなぎ,電力の可視化及び電力消費の最適制御を行うシステム
【解答】
正解:エ
- アは×。家庭用エコ発電技術
太陽光→【ソーラーパネルの光電効果】
↓
燃料電池──→直流電気→【パワーコンディショナ】→交流変換(家庭用電気)
- イは×。廃棄物の資源有効活用=リサイクル。特にレアメタルの回収が重視されている(都市鉱脈)
リサイクル法(循環型社会形成推進基本法)
├パソコンリサイクル法(資源の有効な利用の促進に関する法律)
├家電リサイクル法(特定家庭用機器再商品化法)
└小型家電リサイクル法(使用済小型電子機器等の再資源化の促進に関する法律)
- ウは×。エコキュート(EcoCute)
自然冷媒(二酸化炭素)を冷媒として用いるヒートポンプ給湯器
- エは〇。HEMS(Home Energy Management System)
家庭エネルギー管理システム。問題文の通り。部屋ごとの電力使用状況がタブレット型端末に常時モニター表示される。節電効果,ピーク時の解消などにつながる。住宅メーカー各社が関連製品を発売し,国の補助金制度もある。
参照:HEMS
[fe172-74]
車載機器の性能の向上に関する記述のうち,ディープラーニングを用いているものはどれか。
- ア 車の壁への衝突を加速度センサが検知し,エアバッグを膨らませて搭乗者をけがから守った。
- イ システムが大量の画像を取得し処理することによって,歩行者と車をより確実に見分けることができるようになった。
- ウ 自動でアイドリングストップする装置を搭載することによって,運転経験が豊富な運転者が運転するよりも燃費を向上させた。
- エ ナビゲーションシステムが,携帯電話回線を通してソフトウェアのアップデートを行い,地図を更新した。
【解答】
正解:イ
ディープラーニング:人間の関与が少なくコンピュータが大量の資料を基に自動的に学習するようにしたAI技術。
ア・ウは×。自動制御の一つ。AIを必要としない。
イは〇。写真による人物認識はディープラーニングの恰好な適用分野
エは×。位置測定システムの応用。AIを必要としない。
[fe172-75]
CIOの果たすべき主要な役割はどれか。
- ア 情報化戦略を立案するにあたって,経営戦略を支援するために,企業全体の情報資源への投資効果を最適化するプランを策定する。
- イ 情報システム開発・運用に関する状況を把握して,全社情報システムが最適に機能するように具体的な改善点を指示する。
- ウ 情報システムが企業活動に対して健全に機能しているかどうかを監査することによって,情報システム部門にアドバイスを与える。
- エ 全社情報システムの最適な運営が行えるように,情報システムに関する問合せやトラブルに関する報告を受け,担当部門に具体的指示を与える。
【解答】
正解:ア
アは〇。CIO(Chief Information Officer)
イは×。情報システム部長
ウは×。システム監査人
エは×。情報システム部門,ヘルプデスク
参照:CIO(Chief Information Officer)
[fe172-76]
OJTの特徴はどれか。
ア 一般化された知識や技術に重点を置いた教育が受けられる。
イ 上司や先輩が実務に密着して実践的に知識や技術を教育するので,必要な能力が習得できる。
ウ 上司や先輩の資質によらず,一定水準の業務知識が身に付けられる。
エ 職場から離れて教育に専念できる。
【解答】
正解:イ
OJT(On the Job Training)職場内訓練。業務遂行を通して,上司や先輩が指導する
Off-JT(Off the Job Training)職場外訓練。研修会,講演会,e-ラーニング,自主学習など
アは×。Off-JT
イは〇。OJT
ウは×。Off-JT
エは×。Off-JT
[fe172-77][fe161-78][fe131-77][fe112-78][fe081-72][ad081-64]
財務諸表のうち,一定時点における企業の資産,負債及び純資産を表示し,企業の財政状態を明らかにするものはどれか。
ア 株主資本等変動計算書 イ キャッシュフロー計算書 ウ 損益計算書 エ 貸借対照表
【解答】
正解:エ
すべて決算期に提出すべき基本財務諸表→参照:財務諸表
- 貸借対照表
問題文のとおり・・・エが○
- 損益計算書
一会計期間に属するすべての収益と費用を記載し,算出した利益を示したもの
- キャッシュフロー計算書
期首の貸借対照表に示された現金及び現金同等物が,当期間にどのような資金の流入及び流出(キャッシュ・フロー)があって当期末の残高になったか情報開示するもの
- 株主資本等変動計算書
貸借対照表の純資産の部の変動状況を示す財務諸表のこと。
純資産を株主資本,評価・換算差額等,新株予約権に区分し,それぞれの内訳および増減額を記載する。従来は利益処分計算書といわれていた。
[fe172-78][fe152-78][ad052-66][ad041-67]
表から,期末在庫品を先入先出法で評価した場合の在庫評価額は何千円か。
摘要 数量(個) 単価(千円)
期首有高 10 10
仕 4月 1 11
入 6月 2 12
高 7月 3 13
9月 4 14
期末在庫 12
ア 132 イ 138 ウ 150 エ 168
【解答】
正解:ウ
期間中販売量:(10+1+2+3+4)-12=8個
先入先出なので,この8個は期首有高10個から販売したことになる。
数量 単価 金額(千円)
期首有高 2 10 20
4月 1 11 11
6月 2 12 24
7月 3 13 39
9月 4 14 56
合計 12 150←在庫評価額 ・・・ウが〇
参照:在庫評価
[fe172-79]
図は,企業と労働者の関係を表している。企業Bと労働者Cの関係を表す記述として正しいものはどれか。

- ア "契約"が請負契約で,企業Aが受託者,企業Bが委託者であるとき,企業Bと労働者Cとの間には,指揮命令関係が生じる。
- イ "契約"が出向に関わる契約で,企業Aが企業Bに労働者Cを出向させたとき,企業Bと労働者Cとの間には指揮命令関係が生じる。
- ウ "契約"が労働者派遣契約で,企業Aが派遣元,企業Bが派遣先であるとき,企業Bと労働者Cの間にも,雇用関係が生じる。
- エ "契約"が労働者派遣契約で,企業Aが派遣元,企業Bが派遣先であるとき,企業Bに労働者Cが出向しているといえる。
【解答】
正解:イ
アは×。請負契約の受託企業の社員と発注先の関係→何の関係もない。
イは〇。出向先と出向社員の関係→指揮命令関係
ウは×。派遣労働者と派遣先の関係→指揮命令関係(雇用関係はない)
エは×。派遣と出向は異なる
参照:請負・派遣。
労働者派遣法
[fe172-80]
訪問販売,通信販売,電話勧誘販売などを対象に,消費者を守るためのクーリングオフなどのルールを定めている法律はどれか。
ア 商法 イ 電子消費者契約法
ウ 特定商取引法 エ 不正競争防止法
【解答】